Werkingsprincipe
stoominjectoren

Het werkingsprincipe van een stoominjector

Een stoominjector kan "Opwarmen en mengen" of het kan worden toegepast voor het koelen van oververhitte stoom.
Schematic steaminjector
  • 1
  • 2
  • 3
  • 4
  • 5

Opwarmen en mengen

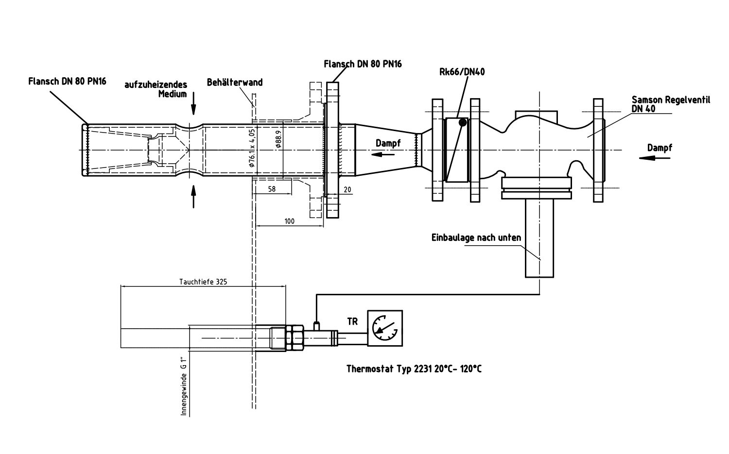
De stoominjector heeft 3 aansluitingen, één voor de toevoer van het op te warmen medium, één voor de stoomtoevoer en één uitstroomopening. In de stoominjector is een conus volgens het venturi- principe aangebracht met een ringvormige toegangsspleet voor de stoom.  De stoom stroomt in de triangel-vormige ruimte via de ringspleet in de venturi en vormt daar als het ware een mantel om de vloeistof. De stoom condenseert direct in de venturi, waardoor luchtbellen en waterslag voorkomen worden. In de venturi wordt het medium met de stoom intensief vemengd en opgewarmd.

De verhouding stoom en op te warmen medium kan traploos en continue geregeld worden tussen 0 en 100%. De optimale stromingssnelheid van het medium is 0,8 tot 3,0 m/sec.

De stromingssnelheid wordt begrensd door een drukregelaar te plaatsen.

Terugkoelen

De stoominjector kan ook worden toegepast voor het koelen van oververhitte stoom. De stoom stroomt door de venturi en wordt koud water via de ringspleet toegevoerd. Via een temperatuur afhankelijk regeling wordt de koudewatertoevoer ingesteld, zodat de gewenste eindtemperatuur bereikt wordt.

Keuze van het juiste
model

1.  Voor het bepalen van het juiste model is de volgende informatie nodig:

  • beschikbare stoomdruk, in bar(g)
  • beschikbare stoomcapaciteit in kg/uur
  • begin temperatuur van het op te warmen medium
  • gewenste eindtemperatuur van het op te warmen medium
  • druk van het op te warmen medium, in bar(g)
  • gewenste opwarmtijd in minuten
  • nominale leidingdiameter in mm.(DN) toevoer op te warmen medium
  • doorstroom capaciteit in liter/uur van het op te warmen medium (bij inline of kringloop inbouw)
  • nominale leidingdiameter in mm.(DN) toevoer stoom
  • inhoud van de tank met op te warmen medium (bij tank inbouw)

2.  Mail of bel ons bovenstaande gegevens door. U ontvangt dan per omgaande ons voorstel met de juiste stoominjector(en).

Materiaalkeuze

Alle stoominjectoren worden geheel vervaardigd uit roestvaststaal AISI316 Ti of AISI321. Op aanvraag leverbaar in speciaal materiaal zoals Hastelloy, Monel, PTFE of voorzien van speciale coating naar klantspecificatie.

Bestelvoorbeeld

Eén Stoominjector voor wateraansluiting DN 65 en stoomaansluiting DN 25 met losse flens aansluiting, nominale druk PN16, materiaal injector roestvaststaal 1.4541, materiaal aansluitflenzen C22,8 volgens DIN norm:

Type RLF 65/25, PN 16/16                       
Bestelnummer = D-RLF-6525-16-41-22

D         = uitvoering aansluitingen/flenzen volgens DIN of ASA

RLF      = uitvoering injecteur, RLF = uitvoering met losse, draaibare flenzen

6525   = nominale doorlaat = water DN65 en stoom DN25

16        = nominale drukklasse voor injector en aansluitflenzen = PN16 of PN25, PN40

41        = materiaal injector = roestvaststaal 1,4541 of 1.4571

22        = materiaal aansluitflenzen = C 22,8 of 1.4571

Neem contact met ons op

Netherlands

Dit e-mailadres wordt beveiligd tegen spambots. JavaScript dient ingeschakeld te zijn om het te bekijken.

France

Dit e-mailadres wordt beveiligd tegen spambots. JavaScript dient ingeschakeld te zijn om het te bekijken.

United Kingdom

Dit e-mailadres wordt beveiligd tegen spambots. JavaScript dient ingeschakeld te zijn om het te bekijken.

Rest of Europe

Dit e-mailadres wordt beveiligd tegen spambots. JavaScript dient ingeschakeld te zijn om het te bekijken.

Adres

Samuel de Marezhof 18
NL-3953 AS MAARSBERGEN
Nederland

BTW nr.: NL867166332B01
KVK nr.: 95524754

Tel: +31(0) 343 785630
Partner: www.matec.nl